Processor system
|
CPU ??
|
Intel Mobile 4th?Haswell-M i3-i5-i7 CPU
|
CPU package
|
RPGA946 Socket
|
chipset
|
QM87/HM86/HM87
|
BIOS
|
UEFI BIOS
|
RAM
|
Technology Architecture
|
Single channel DDR3L 1066/1333/1600MHz
|
capacity
|
Integrated 2GB\4GB DDR3L
|
Slot
|
1 slot can be added, up to 8GB of memory
|
?
video
|
Graphics controller
|
Intel HD Graphics 4600 or above; graphics card model is related to CPU
|
Dual LVDS
|
Support dual channel 24-bit output, the highest resolution 1920 x 1200
|
HDMI
|
HDMI supports maximum resolution 1920x1200
|
VGA
|
VGA supports a maximum resolution of 2048x1536
|
Dual display support
|
LVDS + VGA, LVDS + HDMI, HDMI + VGA synchronous or asynchronous display
|
I/O backplane
|
port
|
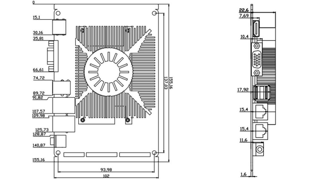
1*VGA,1*HDMI,2*LAN,2*USB3.0,1*MIC-OUT
|
The internet
|
Controller
|
2 RTL8111E-V Gigabit LAN cards, RJ45 interface
|
Audio
|
Controller
|
Raychem HD ALC662 audio decoding (left and right channel + microphone)
|
Super ?I/O
|
Controller
|
NCT6106D
|
Hardware monitoring
|
Watchdog timer
|
0-255 seconds, providing a watchdog routine
|
Cooler
|
Aluminum + copper fan radiator
|
?
Input/output interface
|
USB
|
2*USB3.0 compatible with USB2.0 / 1.1, 6*USB2.0
|
Serial port
|
5 RS-232, 1 RS422/485 optional, RS485 supports automatic flow control
|
PS/2
|
no
|
GPIO
|
8-bit, providing routines, freely defined input/output, 3.3V@24mA level
|
Expansion bus
|
Mini-PCle
|
1 Mini-PCIe slot for PCIe and USB devices
|
SMBUS
|
2pinSM-BUS pin header
|
storage
|
SATA
|
2 standard SATA3.0 interfaces
|
M-SATA
|
1*M-SATA deck (SATA3.0)
|
power supply
|
Power type
|
Single input DC power supply, DC12V, +/- 5%
|
Power consumption
|
60w
|
?
working environment
|
Operating temperature
|
-20℃ ~ +60℃
|
storage temperature
|
-40℃ ~ +85℃
|
Working humidity
|
0% ~ 90% relative humidity, no condensation
|
Storage humidity
|
0% ~ 90% relative humidity, no condensation
|
physical dimension
|
size
|
145 x 102 mm
|
weight
|
0.5kg
|
Certification
|
?
|
CE,ROHS,FCC
|